Jump to main content

141F Mortise lock for tubular frame doors with latch bolt guard

Skip slider
  • Mortise lock for tubular frame doors with latch bolt guard
  • Mortise lock for tubular frame doors with latch bolt guard
  • Mortise lock for tubular frame doors with latch bolt guard
Mortise lock for tubular frame doors with latch bolt guard
  • Mortise lock for tubular frame doors with latch bolt guard
  • Mortise lock for tubular frame doors with latch bolt guard
  • Mortise lock for tubular frame doors with latch bolt guard

End of slider

  • Deadbolt turn: 1-turn
  • DIN Direction: DL / DR
  • Distance: 92 mm
  • Latch lever function: Yes
  • Usage: Tubular frame doors made of aluminium and steel

Item no. 141F

Find a retailer now

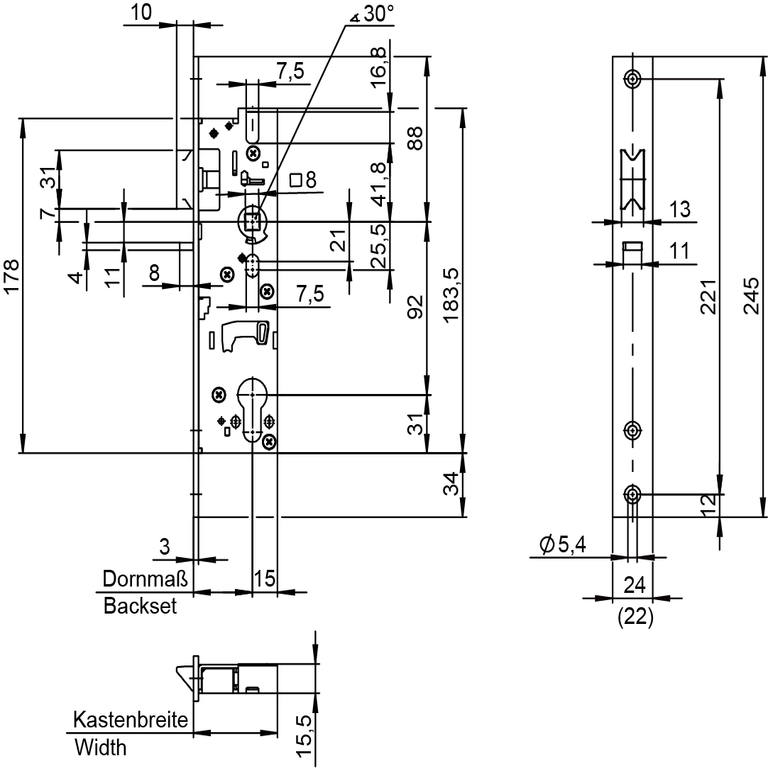
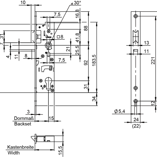
Requirement according to DIN 18251-2 Class 2
Usage Tubular frame doors made of aluminium and steel
Function The latch bolt guard is activated automatically when the door is closed. The combination of standard e-openers is only for inwards opening doors with an asymmetrical profile is possible since the latch bolt is only locked after exceeding 2 mm stroke

Backset30, 35, 40, 45, 65 mm
Backset (1)15 mm
CylinderProfile cylinder / Swiss round cylinder
Deadbolt turn1-turn
DIN DirectionDL / DR
Direction must be statedYes
Distance92 mm
Flat forend (standard design)24 x 3 mm
Follower8, 9, 10 mm
Follower turning angle30°
Forend length245 mm
Forend materialStainless steel / Iron galvanised
Latch bolt exclusion10 mm
Latch bolt guardYes
Latch bolt typePrism latch bolt
Latch lever functionYes
Lock case depth15,5 mm
Lock case height183,5 mm
Lock case materialSteel galvanised
Lock case widthsBackset + 15 mm
Notice U shaped forendAll U-shaped forends are delivered with end caps, Backset changes by -1 mm for U-shaped forends
Reversible latch boltNo
U-shaped forend (standard design)24 x 6 mm
Series141F

12

Results found

Show per page

DescriptionLanguageFile sizeFile type
Brochure Locks for metal frame doors en 5.59 MBpdfDownload
Prospekt Rohrrahmenschlösser de 5.59 MBpdfDownload
Prospekt Renovierungsschlösser de 6.79 MBpdfDownload
Umwelt Produktdeklaration EPD pl 690.98 KBpdfDownload
Environmental Product Declaration EPD en 576.50 KBpdfDownload
Umwelt Produktdeklaration EPD de 690.98 KBpdfDownload
Verwendung der Schlösser 1441 / 141F mit Elekrozaczep ET 30n pl 405.76 KBpdfDownload
Use of locks 1441 / 141F with electric strikes en 405.76 KBpdfDownload
Verwendung der Schlösser 1441 / 141F mit E-Öffnern de 405.76 KBpdfDownload
141f-produktfoto.png73.88 KBpngDownload
141f-reno-produktfoto.png34.35 KBpngDownload
141f-techzeichnung.png84.83 KBpngDownload
Flat forend (special design)20 x 3, 22 x 3 mm
Follower monitoring device (incl. 8 m cable)Optional
Latch bolt and control latch bolt extended (optional)5 mm
Renovation forendOptional (380 mm, no screw holes)
U-shaped forend (special design)22 x 6 mm