6667 Mortise lock with emergency exit function E
Skip slider Mortise lock with emergency exit function E
- Certified according to EN 1125: Yes
- Certified according to EN 12209: Yes
- Certified according to EN 179: Yes
- Deadbolt throw: 20 mm
- Deadbolt turn: 1-turn
Certified according to EN 1125 Yes
Certified according to EN 12209 Yes
Certified according to EN 179 Yes
Emergency exit function Latch lever function E
Fire protection tested according to EN 1634-1 and 4102-18 Yes
Usage For single-leaf tubular frame doors made of aluminium and steel
| """Plug-in key"" function" | Yes |
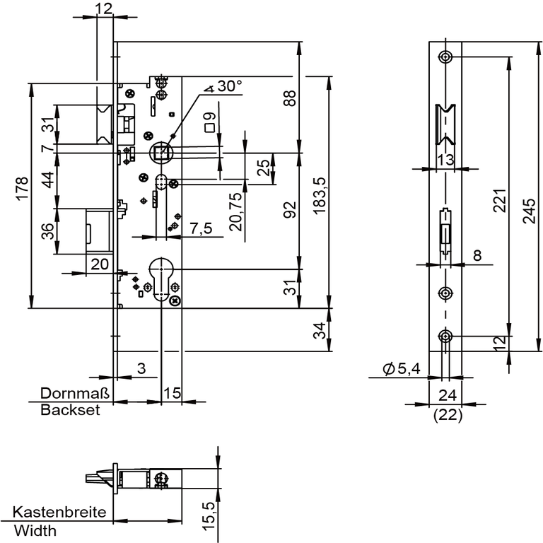
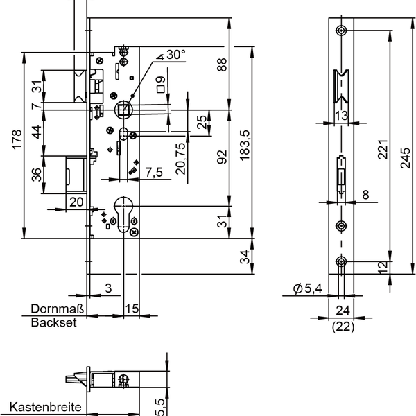
| Backset | 30, 35, 40, 45 mm |
| Backset (1) | 15 mm |
| Cylinder | Profile cylinder / Swiss round cylinder |
| Deadbolt throw | 20 mm |
| Deadbolt turn | 1-turn |
| Deadbolt type | Standard |
| DIN Direction | DL / DR |
| Direction must be stated | No |
| Distance | 92 mm |
| Emergency exit function | Latch lever function E |
| Flat forend (standard design) | 24 x 3 mm |
| Follower | 9 mm |
| Follower turning angle | 30° |
| Forend length | 245, 270 mm |
| Forend material | Stainless steel |
| Latch bolt exclusion | 12 mm |
| Latch bolt type | Prism latch bolt |
| Lock case depth | 15,5 mm |
| Lock case height | 183,5 mm |
| Lock case material | Steel galvanised |
| Lock case widths | Backset + 15 mm |
| Notice Follower | One-piece |
| Notice U shaped forend | All U-shaped forends are delivered with end caps, Backset changes by -1 mm for U-shaped forends |
| Reversible latch bolt | Yes, delivered as DIN left |
| U-shaped forend (standard design) | 24 x 6 mm |
| Series | 6000 |
49
Results foundShow per page
| Description | Language | File size | File type | |
|---|---|---|---|---|
| Brochure Product overview emergency exit door locks | en | 16.00 MB | Download | |
| Prospekt Programmübersicht Fluchttürschlösser | de | 16.01 MB | Download | |
| Prospekt Renovierungsschlösser | de | 6.79 MB | Download | |
| Certificate of constancy of performance EN 179 | en | 1.38 MB | Download | |
| Zertifikat der Leistungsbeständigkeit EN 179 | pl | 1.26 MB | Download | |
| Zertifikat der Leistungsbeständigkeit EN 179 | de | 1.26 MB | Download | |
| Certificate of constancy of performance EN 1125 | en | 1.56 MB | Download | |
| Zertifikat der Leistungsbeständigkeit EN 1125 | de | 1.38 MB | Download | |
| Zertifikat der Leistungsbeständigkeit EN 1125 | pl | 1.38 MB | Download | |
| Certificate of constancy of performance EN 12209 | en | 1.20 MB | Download | |
| Zertifikat der Leistungsbeständigkeit EN 12209 | pl | 1.13 MB | Download | |
| Zertifikat der Leistungsbeständigkeit EN 12209 | de | 1.13 MB | Download | |
| QM 342 ift Rosenheim-230-7031366-1-5 | pl | 456.00 KB | Download | |
| QM 342 ift Rosenheim-230-7031366-1-5 | de | 456.00 KB | Download | |
| QM 342 ift Rosenheim-230-7031366-1-5 | en | 456.00 KB | Download | |
| Umwelt Produktdeklaration EPD | de | 690.98 KB | Download | |
| Environmental Product Declaration EPD | en | 576.50 KB | Download | |
| Umwelt Produktdeklaration EPD | pl | 690.98 KB | Download | |
| VdS Anerkennung - Einbruchmeldeanlagen der Klasse C | pl | 1.30 MB | Download | |
| VdS Anerkennung - Einbruchmeldeanlagen der Klasse C | de | 1.30 MB | Download | |
| VdS approval - Class C burglar alarm systems | en | 1.30 MB | Download | |
| General operating, installation and maintenance instructions series 4000, 6000, 7000 | en | 1.81 MB | Download | |
| Allgemeine Gebrauchs-, Installations- und Wartungsanleitung Serie 4000, 6000, 7000 | pl | 1.81 MB | Download | |
| Allgemeine Gebrauchs-, Installations- und Wartungsanleitung Serie 4000, 6000, 7000 | de | 1.81 MB | Download | |
| Installation instruction Follower monitoring device | en | 373.18 KB | Download | |
| Montageanleitung Nussüberwachung | de | 373.18 KB | Download | |
| Montageanleitung Nussüberwachung | pl | 373.18 KB | Download | |
| Installation instruction latch bolt stop | en | 307.09 KB | Download | |
| Montageanleitung Fallenfeststeller | pl | 307.09 KB | Download | |
| Montageanleitung Fallenfeststeller | de | 307.09 KB | Download | |
| Montageanleitung Riegelüberwachung-Schloss-Gegenkasten | pl | 499.96 KB | Download | |
| Montageanleitung Riegelüberwachung-Schloss-Gegenkasten | de | 499.96 KB | Download | |
| Installation instruction dead bolt monitoring - lock for active leaf and lock case for inactive leaf | en | 499.96 KB | Download | |
| General installation instruction - CE labellings | en | 426.45 KB | Download | |
| Allgemeine Montageanleitung - CE Kennzeichnungen | pl | 426.45 KB | Download | |
| Allgemeine Montageanleitung - CE Kennzeichnungen | de | 426.45 KB | Download | |
| Declaration of Performance S001 BauPVo (EU Nr. 305/2011) EN 179 / EN 1125 | en | 1.06 MB | Download | |
| Leistungserklärung S001 BauPVo (EU Nr. 305/2011) EN 179 / EN 1125 | de | 1.06 MB | Download | |
| Leistungserklärung S001 BauPVo (EU Nr. 305/2011) EN 179 / EN 1125 | pl | 1.06 MB | Download | |
| Declaration of Performance S002 BauPVo (EU Nr. 305/2011) EN 179 / EN 1125 | en | 1016.07 KB | Download | |
| Leistungserklärung S002 BauPVo (EU Nr. 305/2011) EN 179 / EN 1125 | pl | 1016.07 KB | Download | |
| Leistungserklärung S002 BauPVo (EU Nr. 305/2011) EN 179 / EN 1125 | de | 1016.07 KB | Download | |
| Leistungserklärung S003 BauPVo (EU Nr. 305/2011) EN 12209 | pl | 782.53 KB | Download | |
| Leistungserklärung S003 BauPVo (EU Nr. 305/2011) EN 12209 | de | 782.53 KB | Download | |
| Declaration of Performance S003 BauPVo (EU Nr. 305/2011) EN 12209 | en | 782.53 KB | Download | |
| 6667-produktfoto.png | 93.04 KB | png | Download | |
| 6667-e-zylinder-produktfoto.png | 99.42 KB | png | Download | |
| 6000-reno-produktfoto.png | 28.56 KB | png | Download | |
| 6667-techzeichnung.png | 89.23 KB | png | Download |
| Controlled latch bolt stop | Optional |
| Deadbolt extended | 3 mm / 5 mm |
| Deadbolt monitoring device (incl. 10 m cable) | Optional |
| Flat forend (special design) | 22 x 3 mm |
| Follower monitoring device (incl. 8 m cable) | Optional |
| Latch bolt extended (optional) | 3 mm / 5 mm |
| Notice Controlled latch bolt stop | Fire-rated approval not required |
| Renovation forend | Optional (380 mm, no screw holes) |
| U-shaped forend (special design) | 22 x 6 mm |







